您现在的位置:首页 > 信息公开 > 医疗价格 > 服务价格

信息公开

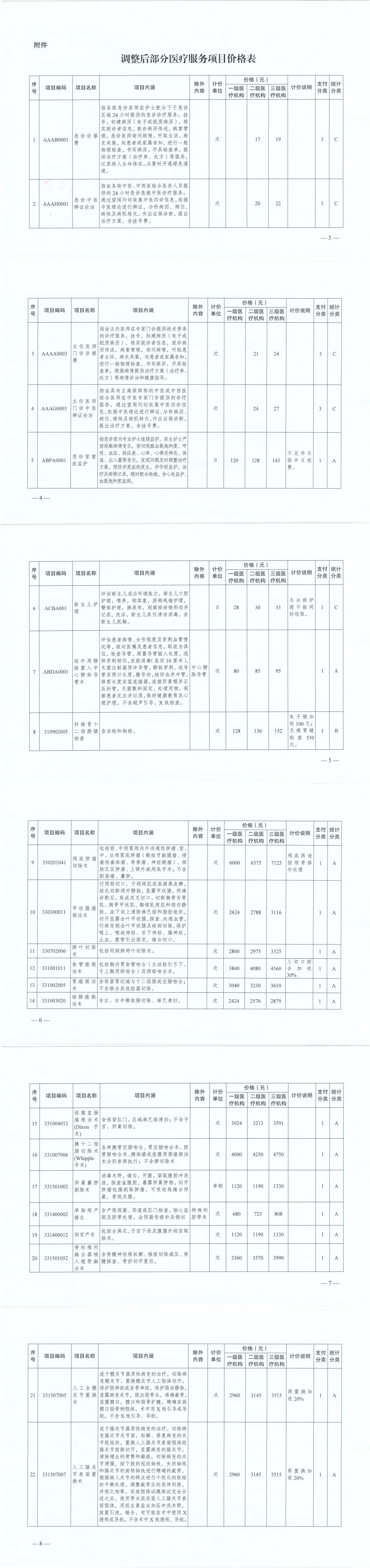
宿州市医疗保障局 宿州市卫生健康委员会关于调整急诊诊察费等部分医疗服务项目价格的通知

发布时间:2024-05-01来源:浏览量:

门诊服务咨询电话:2561778、2560020

急诊服务咨询电话:2560038 

入院服务咨询电话∶白班 3045194,13339077992 ,夜班 3323910

医疗工作咨询电话:3032120 

医保工作咨询电话:3021729

24小时行风监督与服务热线:96591 

南区:安徽省宿州市汴河中路299号

北区:宿州市汴阳三路616号

邮编:234000

网站备案号:皖ICP备14009017号-1    皖公网安备:34130202000221号


blue.png

扫码关注公众号

扫码关注官方微博

扫码关注人事招聘网

安徽医科大学附属宿州医院   宿州市立医院
All Rights Reserved.